2025年10月31日
TE2025年10月30日
罗克韦尔2025年10月24日
采埃孚2025年10月24日
兆易创新2025年10月24日
欣旺达2025年10月27日
魏德米勒
2025年10月22日
倍福
2025年10月16日
罗克韦尔
2025年10月16日
明珞装备
2025年10月11日
EMAG
2025年10月31日
海克斯康
2025年10月24日
Melexis
2025年10月24日
倍加福
2025年10月23日
科尔摩根
2025年10月23日
海康机器人
中国的汽车工业正处在飞速发展时期,尤其是家用汽车的发展更加迅猛,车载彩色液晶显示器/电视市场需求也逐步增长。而目前市场上一直没有专用的车载彩色液晶显示器/电视产品控制芯片,除个别有实力开发MCU的公司外,绝大多数设备厂商采用彩电用的MCU作为彩色液晶显示器/电视产品的控制芯片。其不足之处在于:1、此类MCU是为CRT电视机设计,许多车载和液晶电视的特别要求无法实现;2、此类芯片大都为DIP封装,体积大,而车载显示器/电视一般为4-7英寸,因此驱动芯片体积越小越好。
车载液晶电视/显示器市场发展很快,用户希望厂商提供低成本功能齐全的产品。工程师们则需要设计简单方便、应用灵活的整体解决方案。本文介绍了车载液晶电视/显示器专用MCU SP633以及配套的单芯片电视解码器M61260FP/M61266FP的特点以及应用实例、设计方法和注意事项。
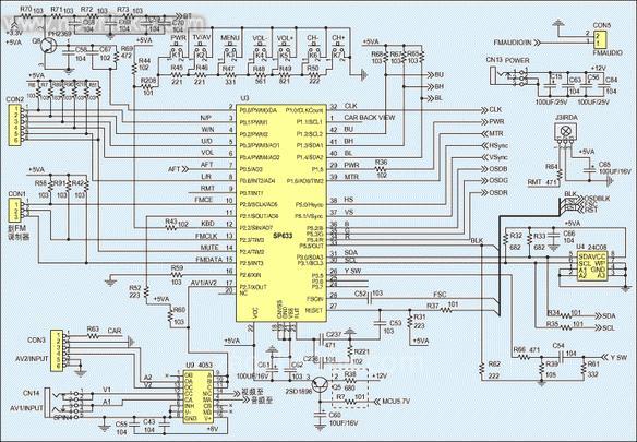
SP633是专为小尺寸车载或便携式液晶显示器/电视开发的多功能MCU控制芯片(已做了掩膜)。基于SP633的小尺寸液晶电视设计方框图如图1所示,主芯片为MCU SP633以及单芯片电视解码器M61260FP/M61266FP。

图1: 津屹的一款LCD TV/监视器方案框图
SP633共有16:9/4:3控制、图像上下/左右控制三个I/O控制口,如果液晶屏无相应控制脚或产品设计不需要这些功能时,可用做其它功能的控制用途,例如:做车载吸顶式显示器时,可选用任何一个I/O脚做车顶灯的遥控开关控制。
有关M61260/M61266与各种液晶屏的接口设计,需注意M61260/M61266解码输出是R、G、B三基色信号和行、场同步信号。后面需加伽码矫正电路,可选的相关芯片如M52338、IR3Y26,最后还需加上时序控制(俗称T-CON)芯片,模拟屏不同,T-CON IC也不同。
如图1所示,通过I2C总线连接,SP633设计成专门与M61260FP/M61266FP配合使用,可基本实现一个现成的液晶电视方案,甚至无需再作调试工作。M61260FP和M61266FP管脚完全兼容,一般使用M61266FP(PAL/NTSC)即可,如有SECAM制式要求,只需将M61266FP更改成M61260FP即可,电路板不需更改。电视解码器可实现两路AV输入——M61260FP:AV1、AV2(与S端子复用),M61264FP:AV1(与S端子复用)、YUV输入。
该方案具备了普通的监视器功能,并实现了一般的电视功能,如256(0-255)个频道存储,一路PWM音量输出控制;图像参数调整:对比度、亮度、色度、清晰度及色调(NTSC);声音参数调整(音量);目重排功能;图像制式选择——M61260:自动、PAL、NTSC、NTSC443、SECAM,M61264:自动、PAL、NTSC、NTSC443;自动/手动搜台功能;AFC自动调整功能;静音功能;节目交换功能等等。
此外,该方案还具有以下一些特别功能。
1. 支持音频FM调制器控制:方便车载使用,用户不需改动汽车音响,也可享受高质音响效果(用FM收音机无线接收TV伴音);不看电视时,也可将其它音源,如VCD/DVD/MP3等,输入到FM调制器中,用汽车音响收听。
2.支持汽车倒车后视自动控制:司机倒车时,无论液晶电视处于什么状态,均自动转到AV2,连接汽车后视摄像头,监控倒车状况;当倒车操作结束,液晶电视自动返回先前状态TV或AV1。
3.16:9/4:3图像模式转换控制。
4.图像上/下、左/右翻转控制。
5.全功能遥控:遥控IC采用SAA3010及兼容低成本IC。
6.支持增补频道(有线电视)接收:扩大使用范围,增加接收频道数目。
7.OSD屏显字符比例放大,便于用户观看。
单芯片电视解码器M61260内置了VIF VC线圈(34.47、38、38.9、39.5和45.75MHz),并内置伴音陷波器和带通滤波器(4.5、5.5、6.0、6.5、5.74MHz);内置色度滤波器和亮度延迟线、基带1H 色度延迟线(用于NTSC);使用数字AFT;内置自动同步分离电路,垂直AGC电路(用于M61266FP),内部集成水平VCO电路,ACL/ABCL可选择;数字模拟OSD可选择,半透明OSD,行/场脉冲输出到MCU,用于OSD;内置5V、8V稳压器,为整机电源电路提供基准电压;内置MCU复位电路和时钟输出电路。由于许多传统元器件已内置到IC里面,加上SP633 IC 、M61260/M61266均为贴片封装,因而大大减少了PCB体积,可节省产品成本。

图2:LCD TV方案中的SP633及其外围控制电路图
此外,图1中的电压合成(VS)高频头支持PAL/NTSC/SECAM全制式接收。多制式解码采用单只晶振,可提高整机稳定性和可靠性。
该液晶电视/显示器方案全部电路基本免调试,所有调试、设置,只需在工厂使用遥控器对机器的工厂菜单进行设定,可节省生产时间及成本,减少测试仪器设备投资,而且降低了生产不良率,提高了产品稳定性。